Современным эффективным способом воздействия на расплавленный металл является ультразвуковая обработка – разновидность динамического воздействия на жидкий и кристаллизующийся металл. При определённых параметрах интенсивности ультразвуковой обработки, вызывающей акустическую кавитацию жидкого металла активно протекает процесс рафинирования (удаление водорода и твердых оксидных включений). Воздействие ультразвука (УЗ) в режиме развитой кавитации на кристаллизующийся металл позволяет изменить кинетику процесса кристаллизации и получить предельную степень измельчения литого зерна, когда его размер соизмерим с величиной поперечного сечения ветви дендрита. Более того, мощный ультразвук позволяет в процессе модифицирования вводить в металл различные композитные элементы и тугоплавкие лигатуры воздействуя непосредственно на кристаллическую решетку.
Ультразвуковое оборудование КУПИТЬ
Ультразвуковая обработка на различных стадиях кристаллизации (Аl-4% Cu)

Без УЗ обработки

УЗ обработка жидкого металла

Одна из возможных схем применения ультразвука для обработки металла

Установка ультразвуковой обработки расплава УУЗО-5-18
Максимальная выходная мощность УЗГК-5-22МС - 5 кВт.
Амплитуда УЗ колебаний рабочего торца ПМС на холостом ходу - 12-15 мкм.
Заданное значение поддерживается с точностью ± 10% в течение рабочего цикла.Заданное значение поддерживается с точностью ± 10% в течение рабочего цикла.
Управление работой комплекта УЗ оборудования, задание и контроль параметров техпроцесса осуществляется с помощью персонального компьютера, установленного в стойке управления.
Выбор техпроцесса из библиотеки процессов или ввод параметров нового техпроцесса, а также автоматическое поддержание заданных режимов работы и отображение текущих параметров:
- название программы обработки (номер техпроцесса);
- марка расплава металла
- продолжительность цикла обработки;
- амплитуда УЗ колебаний (смещения) торца ПМС.
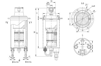
Установка ультразвуковой обработки расплава с функцией поддержания заданной амплитуды колебаний в комплекте:
- ПМС-4-18ОС – 1шт.
- комплект волноводов: промежуточный титановый и излучающий ниобиевый,
- ультразвуковой генератор УЗГК-5-22 МС с комплектом кабелей - 1 шт.
- пульт управления на базе персонального компьютера с блоком сопряжения - 1 шт.
Магнитострикционный преобразователь ПМС-4-18ОС
Магнитострикционный преобразователь ПМС-4-18ОС (с обратной связью) предназначен для ультразвуковой обработки расплавов металлов, оснащен дополнительным пакетом для передачи параметров амплитуды смещения торца и реализации функции поддержания амплитуды колебаний в установке.
ПМС-4-18ОС оснащен системой волноводов: промежуточный титановый волновод и расходный погружной волновод из сплава ниобия..jpg)
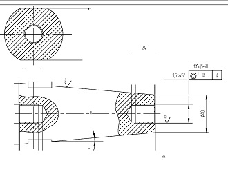
Эскиз титанового волновода

Эскиз ниобиевого наконечника титанового волновода

Волноводы разрабатываются и изготавливаются в соответствии с ТЗ.
Ультразвуковой генератор УЗГК-5-22 МС
Ультразвуковой генератор УЗГК-5-22 МС предназначен для питания магнитострикционных ультразвуковых излучателей.

Генератор снабжен микроконтроллерной системой управления, которая обеспечивает выполнение всех заданных функций.
- Местное и дистанционное включение и отключение генератора в ручном и автоматическом режиме.
- Автоматический поиск и поддержание частоты, соответствующей резонансной частоте электромеханической системы установки ультразвукового воздействия.
- Ручное регулирование (подстройку) частоты выходного напряжения.
- Задание и стабилизацию тока подмагничивания.
- Индикацию и задание основных параметров генератора в удобной для пользователя форме – в виде цифрового значения и в виде шкального индикатора, на котором отображается как текущее, так и заданное значение параметров.
- Защиту генератора, осуществляемую на этапах подключения к сети, запуска в процессе работы.
Предпусковая защита заключается в контроле температуры и исправности силовых полупроводниковых приборов генератора и исправности системы управления.
Защита на этапе работы включает в себя все элементы предпусковой проверки и, кроме того, производит контроль входных и выходных параметров.
Функции системы управления обеспечиваются выполнением программы, записанной в микроконтроллер.
Каналы сбора информации о состоянии системы и передаче импульсов управления имеют гальваническую развязку по сигнальным цепям и питанию как с передающей ток, так и с приемной стороны.